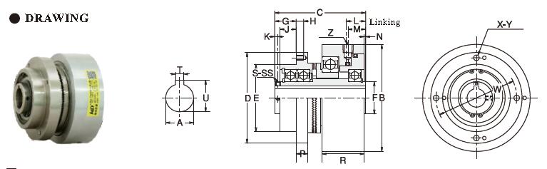
HTP model pneumatic tooth clutch working theory:
This clutch is linked with air pressure, released by return springs. After supplying air pressure, piston pushes driving tooth plate to slide along the direction of the axis, driving tooth plate compressed driven tooth plate to come into an integrated structure, clutch linked. Driving tooth plate and driven tooth plate are separated by return springs after exhausting air pressure,
clutch released.
This pneumatic tooth clutch is widely used for slow connect and high speed rotating situation. Pneumatic control, fast and flexible.
This pneumatic tooth clutch is widely used for slow connect and high speed rotating situation. Pneumatic control, fast and flexible.


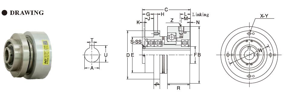
Characters of HTP pneumatic tooth clutch:
1.Inside and outside tooth connection, compact structure, not easy slippage, transmit high torque.
2.Rapid response, integration and connection finished in instant.
3.Low speed and static connection, can reach high speed working after connection.
4.Dry and wet working environment both can be work.
5.Separate structure is also available.




Google |
HC |
baidu |
Godaddy |
Copyright © 2021Pneumatic clutch, Pneumatic brake, Safety chuck All Rights Reserved.
Address:12F, No.488 Banting Road, Jiuting Town, Songjiang District, Shanghai, PRC, 201615
Tel:150-2171-6506 Fax: 021-57636570 Mobile:15021716506 E-mail:pengfei@sh-handong.com




