DBS Piston type clutch brake application range:
Rubber mixing mill roller, conveyor, hoist, handling machinery, food machinery, printing machinery, forming machine, electric braking, tire and rubber equipment, food machinery, packaging machinery, printing machinery, machine, molding machine, wire machine, sheet metal, machinery, filling machine, plate making, conveying machinery, pharmaceutical machinery, Stretching wire machine, fiber machinery, metal processing, plywood manufacturing machine, milling equipment, tire molding machine, paper making machinery, lifting device etc.. Rotary motion products including clutch, brake, torque limiter has become the product standard of the rotary control and transmission fields, with a durable, high efficiency and energy saving, accurate positioning and control, overload protection performance. Modern product is by virtue of simple, durable, high quality become the first choice brand for the majority of users.
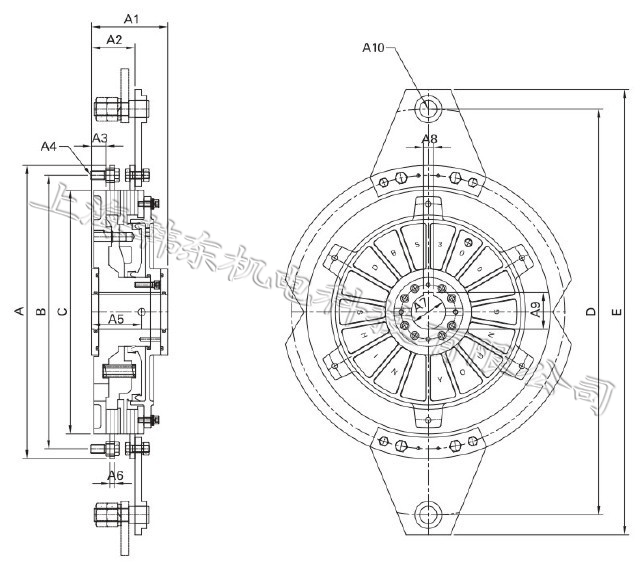
DBS Piston type brake and clutch features:
DBS brake and clutch type, usually based on the spring state can be used as a brake, injecting into the air after the abolition of braking function and used as a clutch, according to use can choose DBS-A, B, C, H model
Product Name: DBS series piston brake and clutch
Brand: Korea Hawers
Model No.: DBS-25,DBS-50,DBS-100,DBS-120,DBS-1400,DBS-1700,DBS-2800,DBS-3000,DBS-5000,DBS-8000,DBS-6000,DBS-9000,DBS-14000
Weight: 11-2280 (kg)
Air pressure: 0.1bar-6bar
Braking torque: 10 - 18600000N.M


Copyright © 2022Pneumatic clutch, Pneumatic brake, Safety chuck All Rights Reserved.
Address:12F, No.488 Banting Road, Jiuting Town, Songjiang District, Shanghai, PRC, 201615
Tel:152-0180-5440 Fax: 021-57636570 Mobile:15201805440 E-mail:songyulu@sh-handong.com




